• 首页

  • 方案库

  • 工业品库

  • 招标项目库

  • 专家库

  • 人才库

会员中心
搜索
登录
注册
  • 方案名称

解决方案

数字化转型通用方案行业方案安全方案大数据人工智能物联网行业展望自动控制其他

产品|技术

白皮书产品介绍技术介绍技术创新模型算法

政策|规范

政策规范行动计划

电子书

电子书课件

报告|论文

报告模板论文
  • 全部
  • 人气排行
  • 下载排行
  • 页数排行
  • 最新排行

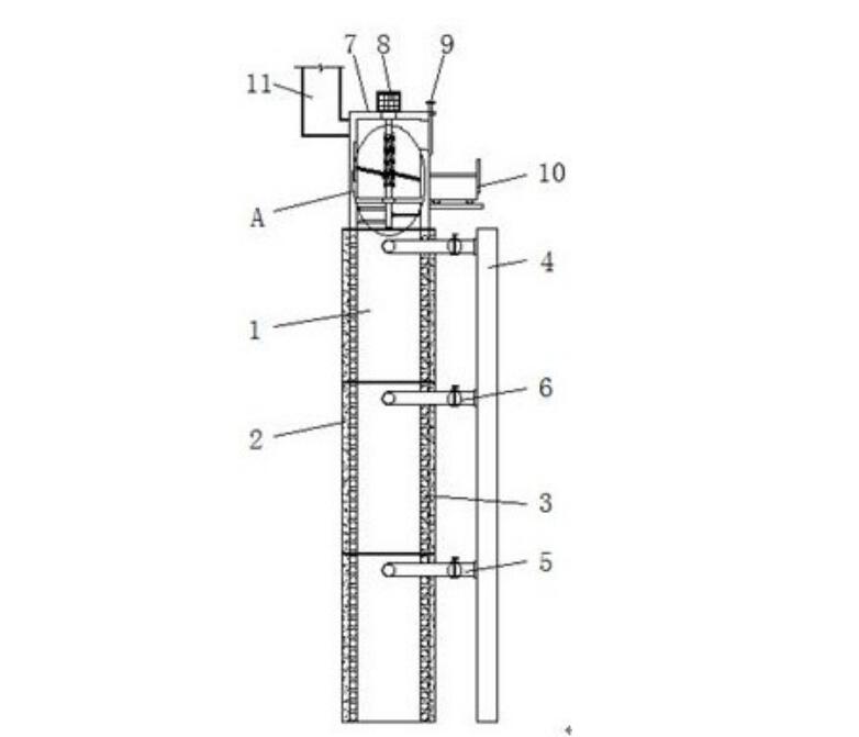
一种智能楼宇巡检记录装置

本实用新型公开了一种智能楼宇巡检记录装置,包括底座和电机,所述底座下端设置有万向轮,且底座外表面安装有橡胶垫,所述底座外表面开设有导向槽,且底座内部安装有电机,并且电机输出端贯穿导向槽与支撑板相连接,所述支撑板外表面设置有导向块,且导向块与导向槽相连接,所述支撑板上端安装有连接板,且连接板内部开设有限位槽,所述限位块末端与支撑杆相连接,且支撑杆内部开设有空腔,所述空腔内部设置有弹簧,且弹簧末端与凸块相连接。该智能楼宇巡检记录装置,使用者可向内按压凸块,使得凸块通过弹簧的弹力与空腔进行伸缩,从而使得支撑杆向上伸缩,使用者根据自己的需求调节记录仪与连接板之间的角度。

  • 2021-04-28
  • 阅读229
  • 下载0
  • 7页
  • pdf

一种智能楼宇综合布线装置

本实用新型涉及智能楼宇技术领域,且公开了一种智能楼宇综合布线装置,包括布线盒,所述布线盒的左右两侧均固定安装有安装块,布线盒的内腔底壁固定安装有安装座。该智能楼宇综合布线装置,通过设置布线盒和安装块,可方便将该布线装置固定于墙上,通过设置安装座和限位块,可将电缆和线路放置于安装座与限位块之间,然后通过推动弹簧推动限位块将电缆和线路夹持紧密,该结构达到了方便固定的效果,避免在墙上开槽,同时省时省力,通过设置定位块和卡接块,可方便将多个布线盒连接在一起,避免将线路暴露于空气中,该结构达到了方便固定并且方便连接的效果,结构简单,操作方便,更有利于使用者使用。

  • 2021-04-28
  • 阅读174
  • 下载0
  • 6页
  • pdf

智能楼宇用的门禁系统

本发明公开了智能楼宇用的门禁系统,其结构包括控制器,所述控制器包括录制模块、数据储存模块、网络通讯模块和门禁电磁锁,所述录制模块包括指纹识别器、面部识别器、短信接收模块和密码输入模块,所述密码输入模块通过导线电性连接密码输入键盘。本发明能够通过指纹、面部扫描、信息发送或密码来打开门禁,增加了智能楼宇用的门禁打开时的范围,防止了楼宇内的户主不在家时,导致户主的亲人或朋友不能进入到楼宇内,提高了智能楼宇用的门禁系统使用时的便捷性,而且本发明的门禁系统采用5G网络,有效的加快了信息传送时的速度,避免了户主在发送短信开门时出现网络卡顿的现象,提高了智能楼宇用的门禁系统使用过程中接收信息的稳定性。

  • 2021-04-28
  • 阅读222
  • 下载0
  • 7页
  • pdf

一种智慧楼宇用电综合监控系统

本发明公开了一种智慧楼宇用电综合监控系统,通过设置有智慧用电安全传感模块,包括电流电压探测器、故障电弧探测器、灭弧式电气防火短路保护器和智慧空开,使得本发明可以对电力安全进行实时监控,遇到险情时可以及时做出急救措施,通过设置有预警处理模块,包括短信报警单元、声光报警单元和治理单元,使得本发明可以及时发现电力险情并作出相关治理,通过设置有监控终端,包括手机、电脑和液晶显示屏,使得用户可以随时随地对楼宇用电情况进行监控。通过设置有数据跟踪与统计分析模块,使得本发明可以对容易诱发火灾的因素进行监控,同时可以对监测出的数据进行统计分析,使得本发明对电力的监控更加的智能化。

  • 2021-04-28
  • 阅读256
  • 下载0
  • 7页
  • pdf

一种智能高效散热楼宇控制箱

本发明涉及控制箱技术领域,且公开了一种智能高效散热楼宇控制箱,包括控制箱本体,控制箱本体的外壁固定连接有风箱,风箱的内壁固定连接有风扇,风箱的输出端固定连通有导流斗,导流斗的输出端固定连通有连接管,连接管的底端穿过控制箱本体的上表面并固定连通有横管,横管的管壁与控制箱本体的内壁固定连接,控制箱本体的内壁固定连接有定时开关,控制箱本体的后侧壁开设有矩形散热孔,控制箱本体的后侧壁固定连接有辅助机构。本发明能够有效提高楼宇控制箱散热的智能性和环保性,同时提高了楼宇控制箱的散热效率,能够避免造成电力的浪费,同时降低了楼宇控制箱的使用成本。

  • 2021-04-28
  • 阅读227
  • 下载0
  • 9页
  • pdf

一种高层楼宇多分区智能变频供水装置及控制方法

本发明公开了一种高层楼宇多分区智能变频供水装置及控制方法,该装置包括进水管道、低区供水泵组、中区供水泵组、高区供水泵组以及小流量泵,在进水管道上分别连接有高区出水管、中区出水管以及低区出水管,在高区出水管上依次连接有高区供水泵组、高区压力传感器以及高区流量传感器,在中区出水管上依次连接有中区供水泵组、中区压力传感器以及中区流量传感器,在低区出水管上依次连接有低区供水泵组、低区压力传感器以及低区流量传感器。本发明将各分区供水泵组共用一台小流量泵,并且在用水量较小的情况下,切换到小流量泵工作,极大地降低了在小流量用水时供水能耗,并且设备成本较低。

  • 2021-04-28
  • 阅读236
  • 下载0
  • 9页
  • pdf

一种智能静音楼宇设备自控系统的给排水系统

本实用新型公开了一种智能静音楼宇设备自控系统的给排水系统,包括水管本体、电机和过滤板,所述水管本体的外表面紧密贴合有支撑球,且支撑球的外表面紧密贴合有隔音层,所述水管本体上通过连接管与排放管相连通,且连接管上安装连接有球阀,所述水管本体的上端固定有废水处理箱,所述废水处理箱的左侧连通有主水管,所述废水处理箱的右上端固定连接有固定板,所述固定板上滑动连接有密封阀门,所述废水处理箱的内部转动连接有螺纹杆,所述螺纹杆的下端与转动柱固定连接。该智能静音楼宇设备自控系统的给排水系统,便于对污水中的杂质进行过滤以及粉碎处理,避免出现堵塞,以及方便在出现堵塞时,及时进行排放,方便使用。

  • 2021-04-28
  • 阅读237
  • 下载0
  • 7页
  • pdf

一种楼宇智能化布线器

本实用新型涉及布线设备技术领域,且公开了一种楼宇智能化布线器,包括布线器本体、固定装置和底座板,所述布线器本体底部设有底座板支撑,且底座板上表面左右两侧中部位置焊接有一组对称的螺栓,所述螺栓内腔开设有螺纹通孔,且底座板上表面中部位置位于螺栓内侧开设有一组通孔,所述底座板上表面中部位置开设的一组通孔内套接有相契合的第一螺母,且第一螺母和底座板上表面之间套接有垫片,所述第一螺母另一端螺纹连接外部结构,且螺栓内腔开设的螺纹通孔内相啮合有第二螺母,所述第二螺母和螺栓之间套接有第一布线层,该实用新型解决了现有技术中楼宇智能化布线器功能性单一,稳固性不高的问题,能有效提高布线器的实用性。

  • 2021-04-28
  • 阅读216
  • 下载0
  • 8页
  • pdf
上一页 1 …… 8889909192939495969798 …… 2193 下一页 共 17542 条


立即登录

没有账户,需要注册

登录用户可享受以下权益
  • 免费下载方案
  • 服币提现
  • 发布方案得服币
  • 交易分成

精品推荐

国内重点工业物联网平台四类厂商分类及选型指南

国内重点工业物联网平台四类厂商分类及选型指南

  • 阅读184
  • 下载6

工业物联网平台的典型应用场景深度分析

工业物联网平台发展重点: 一是行业深耕化,从通用型平台向“一米宽、百米深”的行业垂直平台转型,聚焦能源、交通、化工等领域的特定需求,沉淀场景化解决方案与行业Know-how,而非追求“大而全”的覆盖能力。 二是智能融合化,工业大模型与平台深度结合,实现工业知识的智能化重构、应用开发的低代码化升级,以及生产运营的自感知、自决策、自优化闭环管控,AI成为提质增效的核心变量。 三是生态协同化,平台不再是单一技术载体,而是串联产业链上下游的协同中枢,通过跨系统数据融合、产学研用金深度合作,形成“数据-算力-应用”的生态闭环,赋能供应链协同与产业集群升级。 四是部署灵活化,采用“平台化产品+私有化部署”结合的模式,兼顾中小企业轻量化需求与大型集团定制化诉求,支持公有云、私有云、边缘端的混合部署,平衡成本与安全性。

  • 阅读236
  • 下载8

低空基础设施发展研究报告(2025)

当前,世界百年变局加速演进,新一轮科技革命和产业变革?深入发展,低空经济作为新质生产力的重要组成部分,正以前瞻?性、引领性姿态加速崛起,成为推动经济结构优化升级、塑造高?质量发展新动能的关键领域。

  • 阅读395
  • 下载1

华为数字化转型之道

首先从华为的视角总结了企业对于数字化转型的应有的共识,以及从战略角度阐述了华为为何推行数字化转型,然后给出了华为数字化转型的整体框架(方法论),以及企业数字化转型成熟度评估的方法,帮助读者在厘清华为开展数字化转型工作的整体脉络的同时,能快速对自身的数字化水平进行自检,

  • 阅读468
  • 下载4

最新上线

全球数字治理蓝皮书(2025)

全球数字治理蓝皮书(2025)全球数字治理蓝皮书(2025)全球数字治理蓝皮书(2025)全球数字治理蓝皮书(2025)全球数字治理蓝皮书(2025)全球数字治理蓝皮书(2025)

  • 阅读39
  • 下载0

人工智能赋能应用实践指南

当前,人类正处在新一轮科技革命和产业变革的历史关口,人工智能正以前所未有的速度重塑世界,为千行万业注入新动能。从工业制造的智能产线到农业生产的精准种植,从金融服务的智能风控到医疗健康的远程诊断,人工智能推动着生产效率的跃升与产业形态的迭代。正如《指南》所展望的那样,未来,随着网络通信、前沿算法、存储算力等多元技术的深度融合,以及海量数据与前沿知识的双重加持,人工智能将彻底突破单一技术工具的局限,蜕变为贯穿千行万业生产链条的关键枢纽,融入千家万户的日常起居,成为人类社会高效运转不可或缺的底层支撑。

  • 阅读39
  • 下载0

新能源场站无人值班建设方案

新能源场站无人值班建设方案新能源场站无人值班建设方案新能源场站无人值班建设方案新能源场站无人值班建设方案新能源场站无人值班建设方案新能源场站无人值班建设方案

  • 阅读45
  • 下载1

零碳工厂建设与热能高效利用一事一议破局“零碳”技术路线

零碳工厂建设与热能高效利用一事一议破局“零碳”技术路线零碳工厂建设与热能高效利用一事一议破局“零碳”技术路线零碳工厂建设与热能高效利用一事一议破局“零碳”技术路线零碳工厂建设与热能高效利用一事一议破局“零碳”技术路线

  • 阅读45
  • 下载0
  • 关于我们

    电话:029-8838-6725

  • 新闻资讯

    企业简介 新闻动态 品牌实力 代理合作 诚聘英才 联系我们

  • 中服云

  • 工业互联网风向标

  • 在线咨询

西安/北京/南京/重庆/合肥/厦门/甘肃 地址:陕西省西安市雁塔区鱼跃工业园慧康生物科技产业园7楼 电话: 029-8838-6725

版权所有 @ 中服云 陕ICP备11002812号
  • 扫码咨询

    或

    点击立即咨询
  • 客服咨询

  • 用手机扫二维码

    或

    复制当前地址

  • 问题反馈 中服大讲堂 客服电话

方案库赚钱指南